

深圳市松崎机器人自动化设备有限公司,注册于2011年,注册资金1200万元,是日本川崎机器人华南合作伙伴,主要从事自动喷涂往复机生产制造,自动化机电产品,光电传感器的销售等,随着中国世界工厂的进一步确立以及中国劳动力成本的持续提高,无人化,自动化越来越受到广大用户的欢迎,为了进一步的整合公司资源,在原有往复机,自动喷漆机项目上。深入专注经营机器人喷涂应用领域,如往复喷漆机 、自动喷涂机器人、喷漆机器人、全自动喷漆机、货厢自动喷涂机、半自动喷涂机、五轴往复机、六轴往复机、在线往复喷涂机、喷涂机械手等。
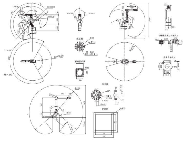
六轴喷涂机械手一般采用进口控制单元、西门子中/英文触摸屏编程控制、伺服电机驱动。具手动/自动控制模式。可完成X轴、Y轴平面及矩形框四种标准行走模式。
六轴喷涂机械手特点:本身多个自由度,配桁架安装,机械手左右行走,算外部的一个自由度,称为六轴喷涂机械手;同时可以配备机器人滑台或旋转台,也可以安装多把喷枪,一次喷涂多件产品,提高产量;喷涂机械手轻巧灵便,操作简单,保养方便;喷涂机械手使用范围广泛,不受限制。


